г. Павловский Посад
Источник водоснабжения: скважина
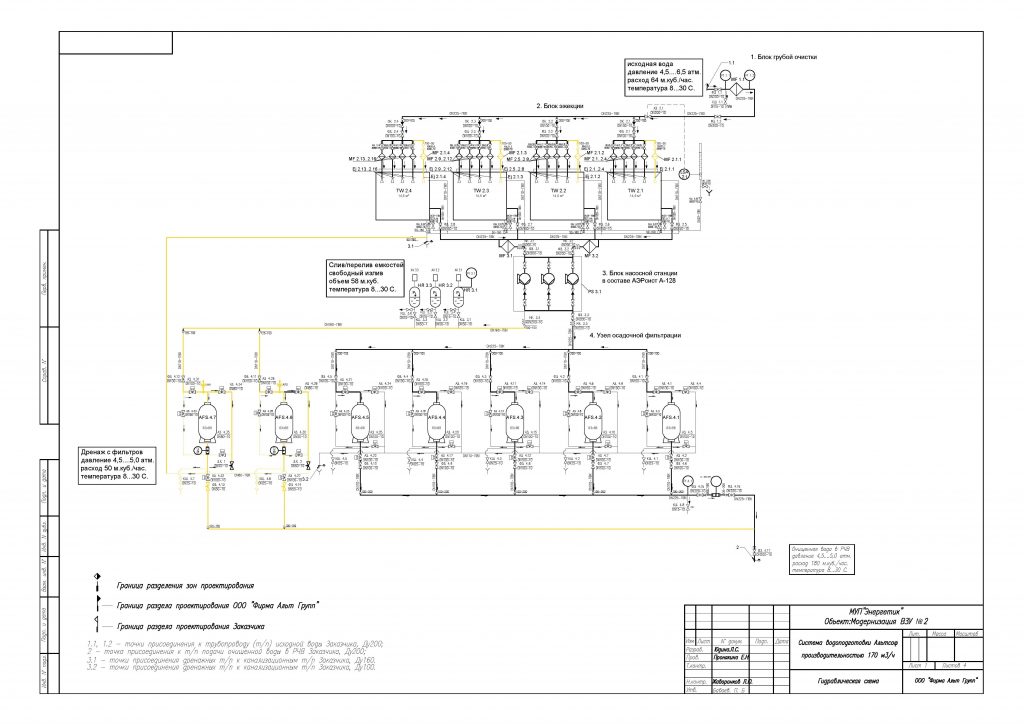
Назначение: хозяйственно-питьевое
Производительность:— Номинальная: 128 м3/ч— Пиковая: 170 м3/ч— Суточная: 4000 м3/сут
Режим работы: непрерывный